旋渦氣泵
工作原理及特點
旋渦氣泵的葉輪由數十片葉片組成,它類似龐大的氣輪機的葉輪。葉輪葉片中的空氣受到了離心力的作用向葉輪的邊緣云運動,在那里空氣進入泵體的環形空腔,然后又返回葉輪,重新從葉輪的起點以同樣的方式再進行循環。葉輪旋轉所產生循環氣流,以級高的能量離開氣泵以供使用。
旋渦氣泵采用專用電機,結構緊湊、體積小、重量輕、噪音低。送出的氣源無水無油。
用途及使用范圍
XGB型旋渦氣泵是一種吹氣或吸氣兩用的通用氣源。它主要用于:切紙機、燃燒降氧機、卷煙濾嘴成型機,電鍍槽液攪拌、霧化干燥機、水處理爆氣、養魚增氧、絲網印刷機、照相制版機、注塑機、自動上料烘干機、液體灌裝機、粉末灌裝機、電焊設備、電影機械、紙張輸送、干洗衣服的清潔、空氣除塵、干瓶、氣體傳送、清潔吹干、粉沫冶金、工業吸塵、食品、包裝、收集等方面。
使用和維護
氣泵應放置在較平穩的地方,周圍環境應清潔、干燥、通風。
氣泵葉輪旋轉方向必須與風扇罩殼上所標箭頭方向一致。
像一般電動機一樣定期維修和給兩端軸承加潤滑脂。(3#二硫化鉬鋰基脂或7018高速潤滑 脂)
進出口兩端的過濾網和消音器應根據情況適時清洗,以免堵塞影響使用。
氣泵出氣口與外管道之間應使用增強橡膠(或塑料)管軟聯接。
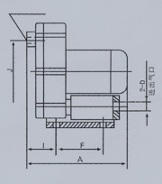
XGB型旋渦氣泵外形尺寸圖



XGB型旋渦氣泵氣泵技術參數
| 型號 | 1 | 2 | 3 | 4 | 5 | 6G | 7 | 8 | 9 | |
| 大壓力kpa | 65 | 60 | 50 | 33 | 30 | 40 | 26 | 11 | 24 | |
| 大真空度kpa | 36.5 | 35 | 30 | 26 | 21 | 29 | 20 | 10 | 16 | |
| 大氣流m3/h | 280 | 780 | 720 | 320 | 280 | 360 | 180 | 40 | 150 | |
| 電動機 | 電壓v | 380 | 380 | 380 | 380 | 380 | 380 | 380 |
1Φ×220v 3Φ×380v |
380 |
| 功率kw | 7.5 | 15 | 11 | 4 | 3 | 5.5 | 2.2 | 0.38 | 1.5 | |
| 型號 | Y132S 2 | Y160M 2 | Y112M 2 | Y100L 2 | Y132S 2 | Y90L 2 | AO7112 | AO8032 | ||
| 外形尺寸mm | A | 950 | 700 | 700 | 440 | 424 | 530 | 370 | 275 | 340 |
| B | 420 | 616 | 620 | 436 | 415 | 480 | 390 | 250 | 360 | |
| C | 450 | 660 | 680 | 470 | 450 | 540 | 410 | 265 | 390 | |
| 聯接尺寸mm | D | M75×2 | G4 | G4 | M75×2 | M75×2 | M75×2 | G2" | G1×1/4 | G2" |
| E | 194 | 140 | 134 | 150 | 130 | 87 | 118 | |||
| 安裝尺寸mm | F | 400 | 400 | 200 | 200 | 216 | 200 | 80 | 200 | |
| G | 500 | 530 | 310 | 305 | 350 | 305 | 200 | 305 | ||
| H | Φ14 | Φ12 | Φ12 | Φ14 | Φ12 | Φ10 | Φ12 | |||
| I | 230 | 150 | 68 | 168 | 60 | 74 | 50 | |||
| J | Φ420 | Φ341 | Φ330 | Φ380 | Φ235 | Φ140 | Φ218 | |||
| K | M12 | M10 | M10 | M10 | M10 | M8 | M10 | |||
| L | 600 | 410 | 364 | 470 | 334 | 218 | 308 | |||
| 重量kg | 90 | 250 | 230 | 70 | 55 | 130 | 40 | 16 | 35 | |
| 圖-2 | 圖-2 | 圖-2 | 圖-1 | 圖-2 | 圖-1 | 圖-1 | 圖-1 | |||
| 10 | 11 | 12 | 13 | 14 | 15 | 16 | 17 |
| 50 | 18 | 14 | 16 | 42 | 80 | 50 | 55 |
| 31 | 15 | 11 | 12 | 30 | 45 | 30 | 35 |
| 950 | 120 | 100 | 110 | 480 | 1000 | 680 | 180 |
| 380 |
1Φ×220v 3Φ×380v |
1Φ×220v 3Φ×380v |
1Φ×220v 3Φ×380v |
380 | 380 | 380 | 380 |
| 18.5 | 1.1 | 0.55 | 0.75 | 7.5 | 22 | 7.5 | 5.5 |
| Y160L 2 | JW7132 | JW7112 | JW7122 | Y132S 2 | Y132S 2 | Y132S 2 | |
| 700 | 330 | 320 | 320 | 530 | 600 | 950 | |
| 616 | 324 | 310 | 310 | 510 | 620 | 420 | |
| 660 | 350 | 340 | 340 | 565 | 640 | 430 | |
| G4" | G1×1/2 | G1×1/2 | G1×1/2 | M75×2 | G4" | M75×2 | |
| 165 | 108 | 100 | 108 | 158 | 158 | ||
| 400 | 180 | 180 | 180 | 170 | 300 | 170 | |
| 500 | 280 | 280 | 280 | 350 | 430 | 350 | |
| Φ14 | Φ10 | Φ10 | Φ10 | Φ14 | Φ14 | ||
| 188 | 45 | 134 | 45 | 180 | 180 | ||
| / | Φ190 | Φ200 | Φ200 | 400 | Φ400 | ||
| / | M8 | / | M8 | M10 | M12 | ||
| 600 | 270 | 256 | 270 | 488 | 488 | ||
| 215 | 21 | 18 | 21 | 145 | 290 | 170 | 170 |
| 圖-2 | 圖-1 | 圖-1 | 圖-1 | 圖-2 | 圖-2 |
XGB型旋渦氣泵曲圖


